Marantz 2270 Receiver Serial# 3900<
So heres a Marantz 2270 receiver. These are certainly one of the more popular Marantz receivers for some reason. They share a similar pre-amp/phono as the 2230/45 variant. Its a great sounding unit, about the only thing I don't like is the amplifier section, i've never seen Marantz pull a trick like this before….
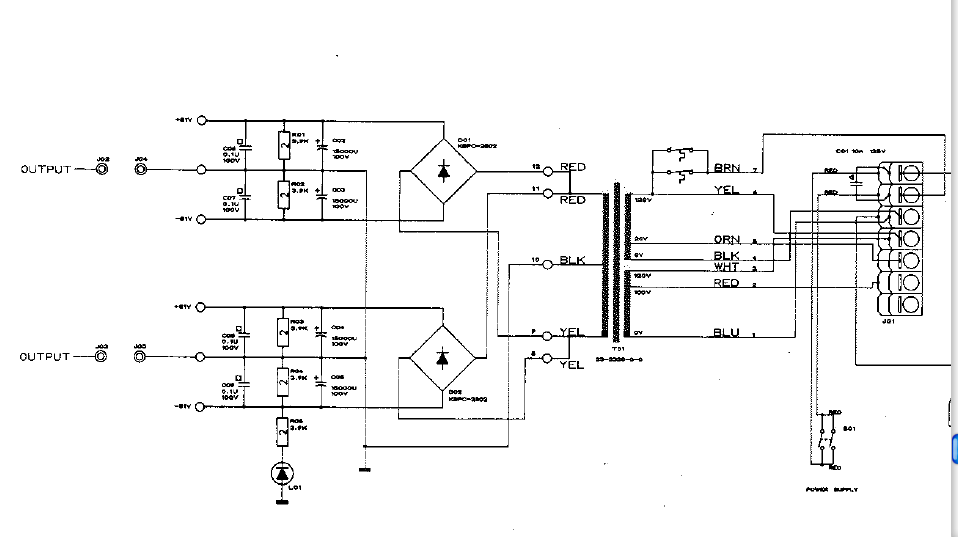
Power Supply
As typical I used Panasonic FR/FC high temp long life electrolytics here. Their are several diodes (801/802/811/813) that can benefit from a more robust UF4005 diode. A Omron MY2-24 relay was installed. This particular PCB was coated with some foreign material that had caked all over, the PCB was striped and buffed, this caused some of the lettering and shiny phenolic to be removed, its a better alternative that letting that goo eat at component leads or cause oxidization to them.
New Cornell Dubilier CDE 10000uf capacitors were used for filter replacements, a very nice capacitor IMHO, I've used the CDE series a lot recently as the Panasonic THA is being phased out of production for the most part. A new EG1018 power switch and Vishay safety capacitor, 33uf PW meter capacitor and move on.
Pre-Amplifier
As I mentioned and you can see, the 2230/2270/45 pre amp sections are all basically the same. One thing I do like to use here are nice polypropylene film capacitors instead of the mylar's. I've tried Mundorf EVO Oils, SoniCaps, Jensens and keep coming back to the MPK Solen, I think its an excellent film, and the price is unbelievable. Audio grade Elna Silmic II's were used for all the electrolytic and WIMA MKS2s for low capacitance lyrics.
Heres a photo of my 2270 Pre-Amp PCB
And heres a photo of a Marantz 2230 I did a while back to compare
Phono
All the lyrics here replaced again with audio grade Elna Silmic II's, the original low capacitance and film capacitors were replaced with Panasonic ECW polypropylene film capacitors. There are several additional changes to be be performed as well. Updating the 2SC458 BJT's is a critical due to their failure rate/noise issues, with KSC1845 BJT's. the varistor H709 should be replaced with two 1N4148 in series and the 1S1212 with singles.
Power Amplifier
Ah P750… That 2270 has a notorious bias issue. originally it was not stable, and frankly I think the hfe of the service bulletin BJT mod causes another issue as well. Lots of folks seem to have this same issue. The key is to replace that damned thermal BJT with a MJE243, replace the diode with a uf4005/4 and get rid of the junk bias/dc potentiometers, I used precision Bourns 3386 angled. Note the MJE243 uses a different PCB pinout.
All the lyrics were replaced with audio grade Elna Silmic II's and a nice polypropylene MPK's for the film. I always recommend updating the differential pairs as well, heres KSA992's work well, all are hfe matched as well. .






